


9323彩集团
9323彩集团Product Center -
酸碱计量箱
9323彩集团2022-02-09 17:07:47
产品详情
简介:
酸碱计量箱是离子交换除盐系统内的辅助设备之一,用于贮存每次再生所需的酸液或碱液,设备壳体钢防腐或塑料桶。
1:盐酸计量箱,接触介质为HCL,浓度一般在4~30%左右,盐酸储罐内部衬天然橡胶已达到防止盐酸与壳体接触的目的。
2:浓硫酸(98%以上)计量箱,接触、存储的介质为98%的浓硫酸,浓硫酸具有强氧化性,会与等钢材发生钝化作用,形成一种致密性的钝化膜(金属氧化物薄膜),起到隔绝反应物的作用,保护膜内的介质不再与壳体产生化学反应,起到很好的储存浓硫酸介质的作用。
3:稀硫酸(低于70%)计量箱,接触、存储的介质为稀硫酸,稀硫酸储罐内部衬四氟乙烯或塑料已达到防止稀硫酸与壳体接触的目的。
4:碱计量箱,接触、存储的介质为NaOH,由于NaOH与钢材不发生化学反应所以内部防腐可以衬胶也可以不衬胶。
技术参数:
工作压力:常压
工作温度:常温
规格:0.5立方米-5立方米
设备照片:

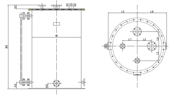
酸碱计量箱尺寸规格表:


9323彩集团辽宁一诺环境产业集团有限公司
9323彩集团地址:辽宁省北票市经济技术开发区一诺环保产业园
电话:400-082-9898
手机:18842199977
给我们留言
扫一扫,关注我们
Copyright © 2020 All Rights Reserved. 辽宁一诺环境产业集团有限公司版权所有